Les Alimentations
L’alimentation est un dispositif ou un circuit qui fournit de l’énergie électrique à des appareils électriques ou électroniques. L’objectif principal de l’alimentation est de convertir une énergie électrique (tension d’entrée alternative ou continue) en une forme qui est appropriée pour alimenter l’appareil. Cet article se concentrera uniquement sur les alimentations de basse tension, en particulier celles couramment utilisées.
- Alimentation linéaire
- Alimentation à découpage
Les alimentations linéaire
L’alimentation linéaire permet de fournir une tension continue stable à partir d’une source de courant alternatif (AC) ou d’une autre source de courant continu (DC). Elle fonctionne sur le principe de la régulation linéaire, où un régulateur de tension linéaire ajuste la tension de sortie en dissipant l’excès de puissance sous forme de chaleur.
En résumé, les alimentations linéaires sont un choix populaire pour les applications où la simplicité, la faible ondulation et la stabilité de la tension sont prioritaires, malgré leur inefficacité relative et leur dissipation de chaleur.
Principe de fonctionnement
- L’alimentation linéaire utilise un transformateur pour abaisser la tension AC à une valeur basse en fonction de la tension de l’appareil à alimenter.
- Cette tension abaissée est ensuite redressée par un pont de diodes pour obtenir une tension DC brute.
- Un filtre composé de condensateurs polarisés et non polarisés est utilisé pour lisser la tension redressée.
- Un régulateur de tension linéaire ajuste ensuite la tension à la valeur désirée.
- Cette tension régulée est généralement encore filtrée par un ou plusieurs condensateurs pour éliminer de possibles ondulations.
Composants principaux
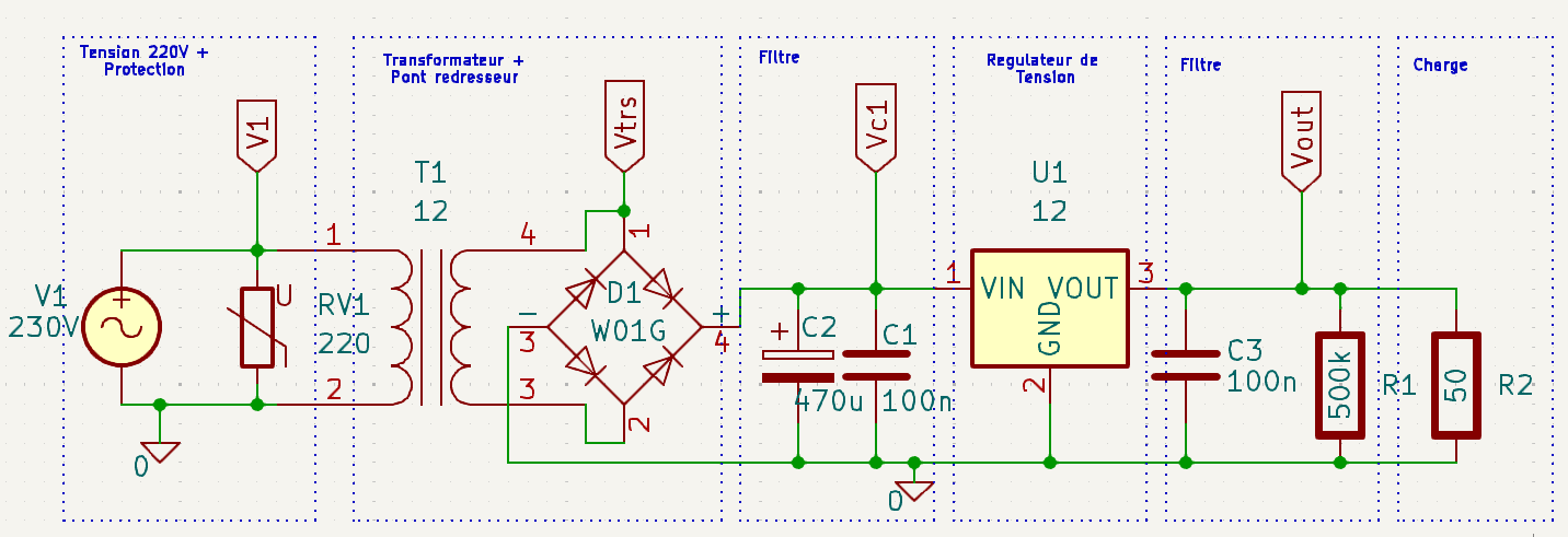
Les composants suivants sont indispensables pour le fonctionnement d’une alimentation linéaire. Le schéma ci-dessous présente d’une alimentation linéaire avec ces différentes parties et composants.
Transformateur : abaisse la tension (exemple : AC 220 V à AC 12 V)
Redresseur : convertit la tension AC en DC.
Filtre : lisse la tension redressée pour réduire les ondulations.
Régulateur linéaire : stabilise la tension de sortie.
Schemas d´example D´alimentations stabilisées
Les deux figures suivantes présentent des alimentations linéaires. Le premier schéma est la représentation classique d’une d’une alimentation linaire avec un régulateur de tension positive ou négative. La tension de sortie dépend du régulateur de tension branché à la sortie. Le second schéma délivre une tension positive et négative.
Avantages et inconvénients
Avantages :
- Simplicité de conception et de construction.
- Faible bruit et ondulation, ce qui est bénéfique pour les circuits sensibles.
- Bonne stabilité de la tension de sortie.
Inconvénients :
- Faible efficacité énergétique, car l’excès de puissance est dissipé en chaleur.
- Plus volumineux et plus lourds en raison de la présence du transformateur et des dissipateurs de chaleur.
- Moins adaptés pour des applications nécessitant des courants élevés ou des tensions d’entrée très variables.
Applications
- Utilisés dans des circuits électroniques sensibles où le bruit doit être minimisé, comme dans les équipements audio, les appareils de mesure et les systèmes de communication.
- Idéaux pour les applications où une régulation précise de la tension est nécessaire.
Les alimentations à découpage
Une alimentation à découpage, ou SMPS (Switching Mode Power Supply), est un type de dispositif de conversion d’énergie qui utilise la commutation à haute fréquence pour fournir une tension continue stable à partir d’une source de courant alternatif (CA) ou d’une autre source de courant continu (CC). Les alimentations à découpage sont largement utilisées en raison de leur efficacité élevée, de leur taille compacte et de leur capacité à gérer une large gamme de tensions d’entrée.
Principe de Fonctionnement
Le principe de fonctionnement d’une alimentation à découpage repose sur la commutation rapide d’un interrupteur électronique (généralement un transistor) entre ses états de conduction et de non-conduction. Voici les étapes principales :
Redressement et Filtrage :
- La tension d’entrée CA est d’abord redressée et filtrée pour produire une tension continue non régulée.
Commutation :
- Un interrupteur électronique (transistor) est utilisé pour hacher cette tension continue à une fréquence élevée, générant ainsi une onde carrée.
Transformateur et Isolation :
- La tension hachée est appliquée à un transformateur de haute fréquence, qui abaisse ou élève la tension selon les besoins. Le transformateur fournit également une isolation galvanique entre l’entrée et la sortie.
Redressement et Filtrage :
- La tension secondaire du transformateur est redressée et filtrée pour produire une tension continue régulée.
Contrôle et Régulation :
- Un circuit de rétroaction surveille la tension de sortie et ajuste le rapport cyclique de la commutation pour maintenir une tension de sortie stable.
Composants Principaux
- Redresseur et Filtre d’Entrée : Convertit l’entrée CA en une tension CC filtrée.
- Oscillateur et Contrôleur de Commutation : Génère le signal de commutation pour le transistor.
- Transistor de Commutation : Hache la tension d’entrée CC.
- Transformateur Haute Fréquence : Abaisse ou élève la tension et fournit l’isolation.
- Redresseur et Filtre de Sortie : Produit une tension CC lisse et régulée.
- Circuit de Rétroaction : Assure la stabilité de la tension de sortie.
Types d'Alimentations à Découpage
- Buck Converter (Abaisseur) : Réduit la tension d’entrée pour produire une tension de sortie plus basse.
- Boost Converter (Élévateur) : Augmente la tension d’entrée pour produire une tension de sortie plus élevée.
- Buck-Boost Converter : Peut soit abaisser, soit élever la tension d’entrée.
- Flyback Converter : Utilisé pour des applications à faible puissance avec isolation galvanique.
- Forward Converter : Utilisé pour des applications de puissance plus élevée avec isolation galvanique.
Avantages
- Haute Efficacité : Moins de pertes énergétiques comparé aux alimentations linéaires.
- Taille et Poids Réduits : Les composants de haute fréquence, comme les transformateurs, sont plus compacts.
- Large Gamme de Tensions d’Entrée : Capable de gérer des variations importantes de la tension d’entrée.
- Flexibilité de Conception : Peut facilement être configuré pour différentes applications (buck, boost, etc.).
Inconvénients
- Complexité de Conception : Plus complexe à concevoir et à fabriquer que les alimentations linéaires.
- Bruit et Interférences Électromagnétiques (EMI) : La commutation rapide peut générer du bruit et des interférences.
- Sensibilité aux Composants : Nécessite des composants de haute qualité pour assurer une performance fiable.
Applications
- Électronique Grand Public : Téléviseurs, ordinateurs, smartphones.
- Télécommunications : Équipements de réseau, répéteurs.
- Industrie : Commandes de moteurs, systèmes d’automatisation.
- Aérospatiale et Défense : Systèmes avioniques, radars.
- Énergie Renouvelable : Convertisseurs solaires et éoliens.
préoccupations liées aux interférences électromagnétiques.
Résumé
les alimentations à découpage sont essentielles dans de nombreuses applications modernes en raison de leur efficacité, de leur flexibilité et de leur capacité à gérer une large gamme de tensions d’entrée, malgré les défis de conception et les
Choix de l'Alimentation
Le choix de l’alimentation dépend des besoins spécifiques de l’application, tels que :
- Tension et Courant de Sortie : Les exigences de l’appareil à alimenter.
- Efficacité Énergétique : L’importance de minimiser les pertes d’énergie.
- Régulation et Stabilité : Le niveau de précision et de stabilité requis pour la tension de sortie.
- Taille et Poids : Les contraintes d’espace et de poids.
- Environnement : Les conditions environnementales dans lesquelles l’alimentation fonctionnera.